
日常繁忙的工程之余,也要时刻注意爱机的运转状况,悉心检查,按时保养。
检查液压油箱油位
1.把挖掘机停在坚实的水平地面上。降低动臂、伸出小臂并将铲斗降至地面上。
2.安全杆置于“锁定”位置,发动机油门调整到最小位置,使发动机处于最低转速。
3.打开右侧门检查油位,油位应在上下两标志线之间位置。
4.若油位低于“L”标志线,加注。
- 关闭发动机,清理液压油箱盖周边尘土。
- 液压油箱内的压力很高,缓慢拧松液压油箱盖泄压。
- 取下液压油箱上部盖并加油。
5.如果油位高于“H”标志,则适当放油。
- 关闭发动机,等待液压油完全冷却。
- 在油箱底部的放油阀接一根软管,将多余的油排到一个合适的容器中。
注意:
加油时油位不能高于“H”标志。加油过量会造成挖掘机损坏且油液会从液压油箱中泄漏。
按照当地规定的法规处理排出的油。
警告:
挖掘机正常工作后,液压油的温度会很高。要等整个液压系统完全冷却后,再维修液压部件。
液压油箱内的压力很高,缓慢拧松液压油箱盖泄压,然后才能安全的拆下注油口盖或上部盖。
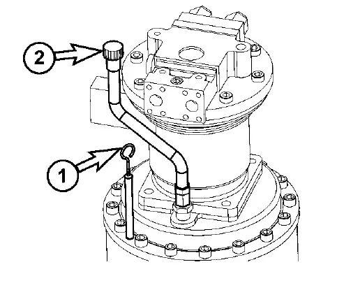
检查回转减速装置油位
1、拔出油标尺(1),用布把上面的油擦拭干净。
2、将油标尺(1)完全插入导管中。

3、拔出油标尺后,油位应该在油标尺的"HIGH"和"LOW"标志之间。

4、如果油位未达到油标尺的"L"标志, 通过加注口加油(2)
5、如果油位高于油标尺的"H"标志,打开排放阀的盖(3),接上软管(4),将多余的油排到一个合适的容器中。

注意:
每次使用油标尺检查油位前,都应把油标尺拔出擦拭干净。
警告:
设备工作后,齿轮油很热。关闭所有的操作系统并完全冷却。在拆卸马达检测螺塞等部件之前,先缓慢的拧松,释放内部的高压气体。
